Jeep Cherokee xj 1988-2001 service manual
Jeep Cherokee XJ 1988-2001 service manual
يحتوى البرنامج على شرح كامل لجميع انواع الميكانيكا وخرائط الكهرباء والبودى اماكن الحساسات الخاصة بسيارات
Jeep
screenshots
Jeep Cherokee XJ
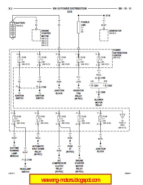
1988-2001 , body service manual,repair manual, wiring diagrams, body repair manual.
Jeep Cherokee XJ
📞 To get the catalog or request a trial, contact us through the following channels:
The AutoTech4You team is always ready to assist you!





