Mitsubishi Outlander Workshop 2007
screen shoots
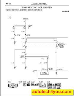
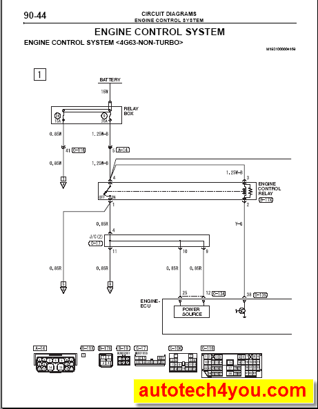
Mitsubishi Outlander Workshop
2006 contains the detailed and full description of repair and diagnostics of all units of the automobile, including detailed electric schemes, the moments of inhalings, process of assembly and disassembly of the engine and other units and units, body sizes for an extract of a body, detailed repair transmission automatic and manual, repair of coupling, steering management, the conditioner, all electric components and blocks of the management, the necessary special tool, and as other information Mitsubishi Outlander .
📞 To get the catalog or request a trial, contact us through the following channels:
The AutoTech4You team is always ready to assist you!





